| |
| Autor |
Mesaj |
SergyU Pasionat

Data înscrierii: 16/Feb/2009 Mesaje: 153 Locație: Bucuresti
|
Trimis: Mie Iul 14, 2010 10:35 pm Titlul subiectului: re |
|
|
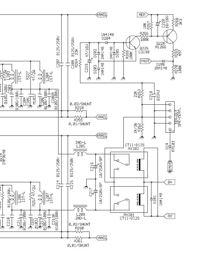
Un releu de 12v 2 reglete si 4 papuci tata si gata toata afacerea undeva la 20 lei depinde de releu
_________________ CDX-GT828U/DLS Classic B5A/TS-G1702i/rxMONO/GZHW 30X/ |
|
| Sus |
|
 |
eVo_Lazu Priceput
Data înscrierii: 01/Apr/2008 Mesaje: 569 Locație: Bucuresti
|
Trimis: Joi Iul 15, 2010 12:06 pm Titlul subiectului: |
|
|
am si releu
| Description: |
|
| Filesize: |
243.7 KB |
| Viewed: |
273 Time(s) |

|
| Description: |
|
| Filesize: |
249.56 KB |
| Viewed: |
274 Time(s) |

|
_________________ Clarion DXZ 778 RUSB,SPL Dynamics aMp + subb ,Focal ,MaGnaT |
|
| Sus |
|
 |
eVo_Lazu Priceput
Data înscrierii: 01/Apr/2008 Mesaje: 569 Locație: Bucuresti
|
Trimis: Joi Iul 15, 2010 2:01 pm Titlul subiectului: |
|
|
am alimentat amplifu de la alta baterie si cu alte cabluri si tot pacane......
a mai ramas varianta cu releul,....dar numeni nu se ofera sa ma ajute....
_________________ Clarion DXZ 778 RUSB,SPL Dynamics aMp + subb ,Focal ,MaGnaT |
|
| Sus |
|
 |
blacired Priceput
Data înscrierii: 14/Noi/2009 Mesaje: 269
|
Trimis: Joi Iul 15, 2010 2:33 pm Titlul subiectului: |
|
|
| Parerea mea, comanda soft-startului este obosita, probabil vreun condensator devalorizat, care se incarca foarte rapid. Un electronist ar trebui sa verifice ampliful.
|
|
| Sus |
|
 |
SergyU Pasionat

Data înscrierii: 16/Feb/2009 Mesaje: 153 Locație: Bucuresti
|
Trimis: Joi Iul 15, 2010 7:20 pm Titlul subiectului: re |
|
|
da add la cu_styll_sergyu si iti explic eu tot ce trebuie sa faci poate ne intalnim ca sa ti-l fac eu sa nu faci vreo prostie sa legi gresit releul si sa faca POC!! ampliful si difuzorul[/img]
| Description: |
|
| Filesize: |
44.71 KB |
| Viewed: |
293 Time(s) |

|
_________________ CDX-GT828U/DLS Classic B5A/TS-G1702i/rxMONO/GZHW 30X/ |
|
| Sus |
|
 |
Dj Dog Utilizator pe cale de disparitie

Data înscrierii: 01/Feb/2008 Mesaje: 526 Locație: Bucuresti / titan
|
Trimis: Vin Iul 16, 2010 11:33 am Titlul subiectului: |
|
|
@evo_lazu
eu din pacate nu am ajuns dar am urmarit subiectul si vin cu un sfat colegul nostru sergiu care s-a oferit sa te ajute
deci: parerea mea este ca ar trebui sa pui un intrerupator pe alimentarea releului si il pornesti separat pt ca daca il legi pe direct ca in schema s-ar putea sa nu rezolvi nimic si tot sa ai pocnituri
am facut o schita , sper ca sergiu sa o inteleaga, daca nu mai ne vorbim aici
http://it.tinypic.com/r/mkyw4g/3
bafta!
|
|
| Sus |
|
 |
SergyU Pasionat

Data înscrierii: 16/Feb/2009 Mesaje: 153 Locație: Bucuresti
|
Trimis: Vin Iul 16, 2010 11:33 pm Titlul subiectului: re |
|
|
Ok eu am inteles si singura rezolvare este startsoftul amplif sau sa renunti la chestia cu releul pt ca poctitura tot o sa fie deci eu i-am aratat cum se leaga nu i-am recomandat eu releul .... dj rolul intrerupatorului care zici tu de el cred ca nu acolo trebuia sa il desenezi de fapt n-are ce sa caute acolo pur si simplu e degeaba si rezistenta pt ce este acolo? cand releul este alimentat el se muta la pinul 87 nu prea stiu dar vreau sa invat si nu prea inteleg ,deci pocnitura nu vine de la HU sa ai puna intrerupator acolo unde zici tu
_________________ CDX-GT828U/DLS Classic B5A/TS-G1702i/rxMONO/GZHW 30X/ |
|
| Sus |
|
 |
mgm2000ro Priceput

Data înscrierii: 11/Iul/2007 Mesaje: 545
|
|
| Sus |
|
 |
Dj Dog Utilizator pe cale de disparitie

Data înscrierii: 01/Feb/2008 Mesaje: 526 Locație: Bucuresti / titan
|
Trimis: Sâm Iul 17, 2010 12:03 pm Titlul subiectului: |
|
|
| SergyU a scris: | Ok eu am inteles si singura rezolvare este startsoftul amplif sau sa renunti la chestia cu releul pt ca poctitura tot o sa fie deci eu i-am aratat cum se leaga nu i-am recomandat eu releul .... dj rolul intrerupatorului care zici tu de el cred ca nu acolo trebuia sa il desenezi de fapt n-are ce sa caute acolo pur si simplu e degeaba si rezistenta pt ce este acolo? cand releul este alimentat el se muta la pinul 87 nu prea stiu dar vreau sa invat si nu prea inteleg ,deci pocnitura nu vine de la HU sa ai puna intrerupator acolo unde zici tu |
Intrerpatorul este pus pt ca omul sa isi cupleze manual difuzorul dupa ce a pus contactul - este un fel de soft start manual
rezistenta este o sarcina artificiala pt ca amplificatorul sa nu ramana fara o sarcina la iesire - din cate stiu eu nu este indicat acest lucru
| mgm2000ro a scris: | | @Dj Dog pocnitura in dif = 80V in dif (o ramura de alimetare) clasa d UCD, deci marim r de 100ohm la 2k desi exista asa ceva in acel amplif. |
avand in vedere cele spuse de tine este corecta dimensionarea la 2kohm a rezistentei de sarcina artificiala
|
|
| Sus |
|
 |
|