Pagina de start a forumului Be loud! Din pasiune pentru sunet
Be loud! Din pasiune pentru sunet
Locul de intalnire al pasionatilor de HiFi, oriunde, oricand!
 FAQFAQ   CăutareCăutare   MembriMembri   GrupuriGrupuri   ÎnregistrareÎnregistrare 
 ProfilProfil   Mesaje privateMesaje private   AutentificareAutentificare 

cum montez un egalizator?

 
Crează un subiect nou   Răspunde la subiect    Pagina de start a forumului Be loud! Din pasiune pentru sunet -> Diverse
 
Autor Mesaj
gikwrx



Data înscrierii: 01/Iun/2007
Mesaje: 45
Locație: Targoviste

MesajTrimis: Vin Iul 27, 2007 4:23 pm    Titlul subiectului: cum montez un egalizator? Răspunde cu citat (quote)

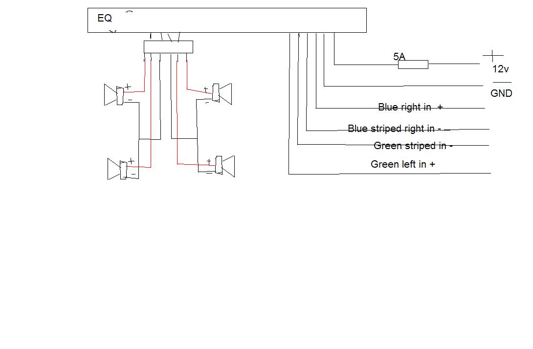
Am un egalizator auto pe 4 canale si nu stiu cum se monteaza.
De fapt nu stiu unde sa leg firele albastre si cele verzi.
Scuze de "schema" nu sunt artist.



untitled.JPG
 Description:
 Filesize:  39.48 KB
 Viewed:  574 Time(s)

untitled.JPG


Sus
Vezi profilul utilizatorului Trimite mesaj privat
adi_0106
Priceput


Data înscrierii: 11/Sep/2006
Mesaje: 553
Locație: Iashington

MesajTrimis: Vin Iul 27, 2007 4:32 pm    Titlul subiectului: Răspunde cu citat (quote)

alea sunt intrari de low-level sau de high-level ?
daca is cu fire simple - eu tind sa cred ca-s de high-level - si in cazul asta se leaga la iesirile de putere ale playerului
daca is cu fire ecranate si mufe - is intrari low-level si se leaga la iesirile de linie ale playerului (mufele RCA)
Sus
Vezi profilul utilizatorului Trimite mesaj privat
gikwrx



Data înscrierii: 01/Iun/2007
Mesaje: 45
Locație: Targoviste

MesajTrimis: Vin Iul 27, 2007 4:41 pm    Titlul subiectului: Răspunde cu citat (quote)

sunt fire simple dar tot nu inteleg.asta ar insemna sa leg 2 canale ale playerului la EQ si mai raman 2.ce fac cu ele?
Sus
Vezi profilul utilizatorului Trimite mesaj privat
adi_0106
Priceput


Data înscrierii: 11/Sep/2006
Mesaje: 553
Locație: Iashington

MesajTrimis: Vin Iul 27, 2007 7:21 pm    Titlul subiectului: Răspunde cu citat (quote)

EQ-ul se leaga in paralel cu difuzoarele
impedanta pe intrare este mare - astfel incat playerul "nu simte" pe iesire decat difuzoarele cu impanta mult mai scazuta
Sus
Vezi profilul utilizatorului Trimite mesaj privat
gikwrx



Data înscrierii: 01/Iun/2007
Mesaje: 45
Locație: Targoviste

MesajTrimis: Vin Iul 27, 2007 7:28 pm    Titlul subiectului: Răspunde cu citat (quote)

pai bun dar pana la urma cum si ce leg pt ca nu vreau sa fac vreo prostie. leg 2 canale de la player la firele acelea?sau cum
Sus
Vezi profilul utilizatorului Trimite mesaj privat
gikwrx



Data înscrierii: 01/Iun/2007
Mesaje: 45
Locație: Targoviste

MesajTrimis: Sâm Iul 28, 2007 2:30 pm    Titlul subiectului: Răspunde cu citat (quote)

nimeni nu stie cum se monteaza o astfel de dracie?
Sus
Vezi profilul utilizatorului Trimite mesaj privat
mihai
Site Admin


Data înscrierii: 27/Iun/2006
Mesaje: 1952

MesajTrimis: Sâm Iul 28, 2007 3:13 pm    Titlul subiectului: Răspunde cu citat (quote)

pune o poza cu dracia... sa vedem cum arata.
e home made sau scrie ceva pe ea?
Ce fel de reglaje ai pe el?
De unde stii ca firele ce ies sunt iesiri de putere si trebuie legate la difuzoare cum ai desenat tu in schema? Eu ma indoiesc.
Sus
Vezi profilul utilizatorului Trimite mesaj privat
gikwrx



Data înscrierii: 01/Iun/2007
Mesaje: 45
Locație: Targoviste

MesajTrimis: Lun Iul 30, 2007 11:41 am    Titlul subiectului: Răspunde cu citat (quote)

nu este un eq home made este un eq Topak si din pacate nu am gasit nici o specificatie despre el pe net. are reglaj pe 7 benzi +12db/-12db iar schema care este pe el este cea care am desenat-o eu.voi pune si poze cu el putin mai tarziu.
oricum ca fire are un pachet de 6 fire (4 + pt fiecare dif si 2 - pt fiecare pereche de dif) si alt pachet de fire tot 6 (alimentare cu siguranta si masa si celelalte 2 perechi de fire despre care nu am habar cum si unde se leaga).
Nu sunt priceput dar sunt dornic sa invat.si scz daca va stresez.
Sus
Vezi profilul utilizatorului Trimite mesaj privat
gikwrx



Data înscrierii: 01/Iun/2007
Mesaje: 45
Locație: Targoviste

MesajTrimis: Mie Aug 01, 2007 1:35 am    Titlul subiectului: Răspunde cu citat (quote)

niste poze cu eq nu sunt de calitate prea mare pt ca sunt facute cu tel.


30-07-07_2004.jpg
 Description:
 Filesize:  36.76 KB
 Viewed:  450 Time(s)

30-07-07_2004.jpg



30-07-07_2005.jpg
 Description:
 Filesize:  72.91 KB
 Viewed:  408 Time(s)

30-07-07_2005.jpg



30-07-07_2002.jpg
 Description:
 Filesize:  49.16 KB
 Viewed:  416 Time(s)

30-07-07_2002.jpg


Sus
Vezi profilul utilizatorului Trimite mesaj privat
gikwrx



Data înscrierii: 01/Iun/2007
Mesaje: 45
Locație: Targoviste

MesajTrimis: Joi Aug 02, 2007 11:09 am    Titlul subiectului: Răspunde cu citat (quote)

va rog ajutati-ma si pe mn sa instalez acest eq.nu pot sa cred ca nu stie nimeni sa instaleze asa cv.
Sus
Vezi profilul utilizatorului Trimite mesaj privat
gikwrx



Data înscrierii: 01/Iun/2007
Mesaje: 45
Locație: Targoviste

MesajTrimis: Vin Aug 03, 2007 6:00 pm    Titlul subiectului: Răspunde cu citat (quote)

up!
Sus
Vezi profilul utilizatorului Trimite mesaj privat
adi_0106
Priceput


Data înscrierii: 11/Sep/2006
Mesaje: 553
Locație: Iashington

MesajTrimis: Sâm Aug 04, 2007 10:28 am    Titlul subiectului: Răspunde cu citat (quote)

pune mana pe o sursa de PC si probeaza-l in casa
leaga un difuzor pe una din iesiri - si incearca sa ii aplici semnal pe intrare
pt inceput pune degetul pe intrari - daca sunt intrari de nivel mic (low-level) vei auzi un barait in difuzor
daca nu auzi nimic - e posibil sa fie intrari de semnal mare (high-level) - si atunci incearca sa aplici semnal de pe iesirea unui amplificator (boxa de calculator, HU auto etc)

dupa pozele alea nu iti poate zice nimeni care si cum se leaga
Sus
Vezi profilul utilizatorului Trimite mesaj privat
gikwrx



Data înscrierii: 01/Iun/2007
Mesaje: 45
Locație: Targoviste

MesajTrimis: Sâm Aug 04, 2007 10:58 am    Titlul subiectului: Răspunde cu citat (quote)

am probat pe masina si cred ca alea sunt intrari low pt ca se auzea un barait in difuzoare.asta inseamna ca tre sai dau semnal de la preoutul hu lui nu?
mersi mult adi_0106!
Sus
Vezi profilul utilizatorului Trimite mesaj privat
adi_0106
Priceput


Data înscrierii: 11/Sep/2006
Mesaje: 553
Locație: Iashington

MesajTrimis: Sâm Aug 04, 2007 11:06 am    Titlul subiectului: Răspunde cu citat (quote)

gikwrx a scris:
sta inseamna ca tre sai dau semnal de la preoutul hu lui nu?

da
Sus
Vezi profilul utilizatorului Trimite mesaj privat
Afișează mesajele pentru a le previzualiza:   
Crează un subiect nou   Răspunde la subiect    Pagina de start a forumului Be loud! Din pasiune pentru sunet -> Diverse Ora este GMT + 3 ore
Pagina 1 din 1

 

Mergi direct la:  
Nu puteți crea un subiect nou în acest forum
Nu puteți răspunde în subiectele acestui forum
Nu puteți modifica mesajele proprii din acest forum
Nu puteți șterge mesajele proprii din acest forum
Nu puteți vota în chestionarele din acest forum
You can attach files in this forum
You can download files in this forum


Powered by phpBB © 2001, 2005 phpBB Group
Varianta în limba română: Romanian phpBB online community